Facebook
Twitter
Youtube
Pinterest

China WeiGao Transmission Machinery Co., Ltd.

wgt.asia@gmail.com

  • Home
  • About us
    • About us
    • Enterprise introduction
    • Quality Standard
    • Production Ability
    • Development path
    • Qualification honor
    • Technology Patent
    • Company Culture
    • After sales service
    • F.A.Q
  • Products
    • Product series on page 2
      • SMR Series Shaft Mounted Reducer
      • RXG Shaft Mounted Gear Reducer
      • JDX/MBY series gearbox
      • Wind turbine speed increaser
      • Dongchuan Motor Series
      • Couplings
    • Search Classes by Model
      • WH_WHCJ_CW_LCW_SCW_WD_WSJ_WXJ_A_M
      • WP_WPW_WPE
      • Replace_SEW_M_MC_Series Gearbox
      • XWD_BWY_JXJW_XLD_JXJL_BLY_BYY_XWED_BWEY
      • Gear_transfer_case_PUMP_DRIVE
      • Substitute for Russian gearbox products
    • R series helical gear units
    • S series helical worm gear units
    • K series helical bevel gear units
    • F series parallel shaft helical gear units
    • HB series industrial gear units
      • H2 series(iN1.8~22.4)(H204~H226)
      • H3 series(iN16~112)(H305~H326)
      • H4 series(iN71~400)(H407~H426)
      • B2 series(iN6.3~14)(B204~B218)
      • B3 series(iN16~90)(B304~B326)
      • B4 series(iN90~400)(B405~B426)
    • P Series Planetary gear reduction unit
      • 2-stage planetary gear transmission (search by model)
      • 3-stage planetary gear transmission (search by model)
    • WP series worm gearbox
      • WP Single Reducer Ratio(1/10-1/60)
      • WPW Universal Reducer Ratio(1/10-1/60)
      • WPE Double Reducer Ratio(1/100-1/3600)
    • NMRV series aluminum shell reducer
    • B/X Cycloid reducer(BLD,BWD,XLD,XWD)
    • ZQ JZQ SOFT TOOTH FACE GEAR BOX
    • ZSY/ZLY/ZDY/DBY Hardened tooth surface Gearbox
    • T series spiral bevel gear units
    • JWM/SWL series worm screw jacks
    • YHJ series hybrid gear reducer
    • AC Motor
      • CH/CV small reduction motor
    • MC/M/ML series industrial gearboxes
      • MC series industrial gearboxes
      • M series industrial gearboxes
      • ML series industrial gearboxes
    • Old website product data
    • Sew Flender Nord Bonfiglioli Series
      • SEW X Series Gearbox reducer motor
  • News
    • Company news
    • Industry-news
  • Electronic Catalog
    • Electronic Catalog
    • 3D selection system
    • DOWNLOAD
  • Global case
  • Photo
    • Real picture display
    • Industry Application Cases
    • Ecological chain products
    • World famous products
  • 3D system
  • Contact us

Search Classes by Model

Home Products Search Classes by Model
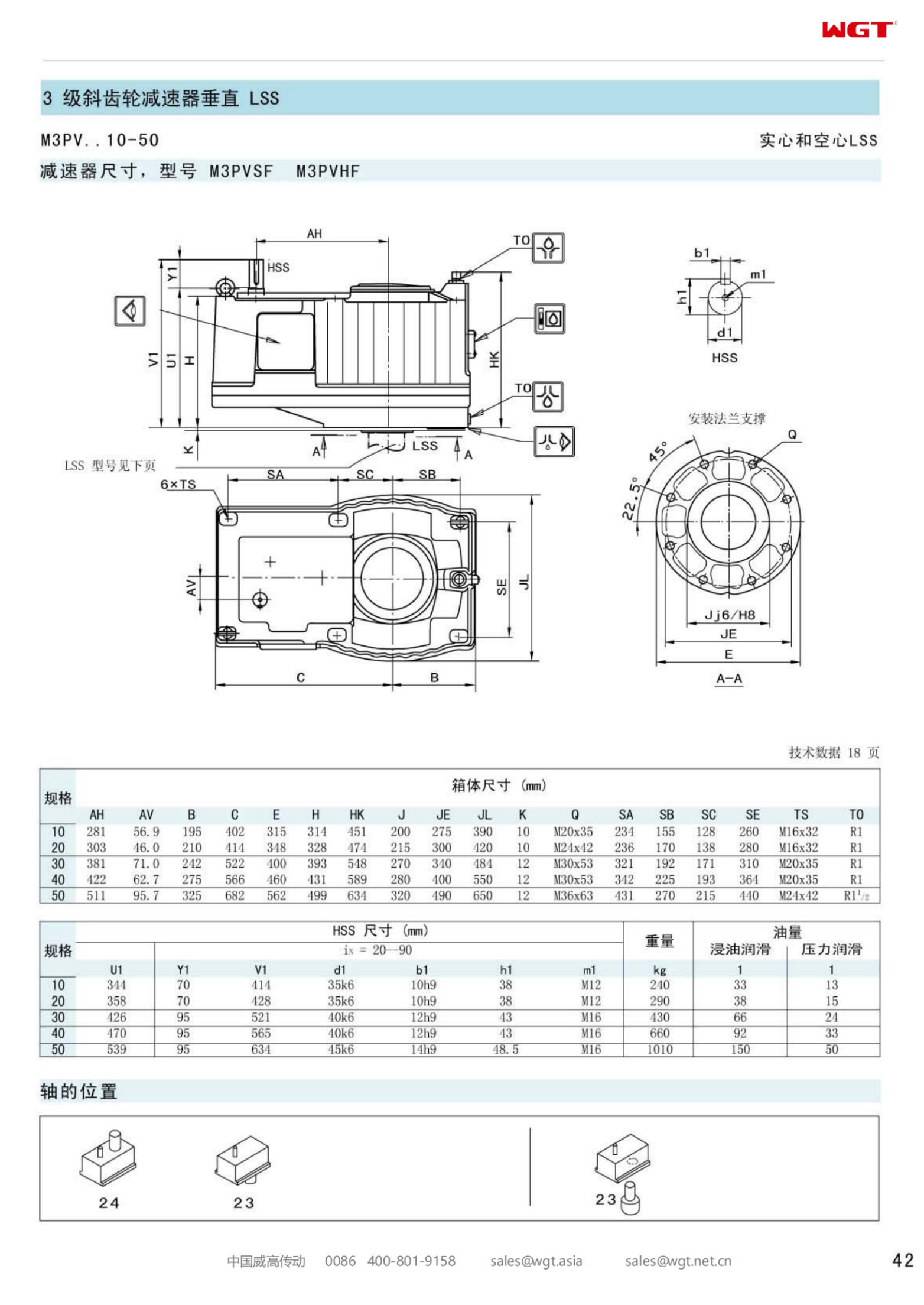
M3PVSF50 Replace_SEW_M_Series Gearbox

M3PVSF50 Replace_SEW_M_Series Gearbox

M3PVHF50 Replace_SEW_M_Series Gearbox

M3PVHF50 Replace_SEW_M_Series Gearbox

M3PVHF40 Replace_SEW_M_Series Gearbox

M3PVHF40 Replace_SEW_M_Series Gearbox

M3PVHF30 Replace_SEW_M_Series Gearbox

M3PVHF30 Replace_SEW_M_Series Gearbox

M3PVHF20 Replace_SEW_M_Series Gearbox

M3PVHF20 Replace_SEW_M_Series Gearbox

M3PVHF10 Replace_SEW_M_Series Gearbox

M3PVHF10 Replace_SEW_M_Series Gearbox

M5RHT90 Replace_SEW_M_Series Gearbox

M5RHT90 Replace_SEW_M_Series Gearbox

M5RHT80 Replace_SEW_M_Series Gearbox

M5RHT80 Replace_SEW_M_Series Gearbox

M5RHT70 Replace_SEW_M_Series Gearbox

M5RHT70 Replace_SEW_M_Series Gearbox

1 < ... 6162636465 ... > 166

Product Categories

  • Product series on page 2
    • SMR Series Shaft Mounted Reducer
    • RXG Shaft Mounted Gear Reducer
    • JDX/MBY series gearbox
    • Wind turbine speed increaser
    • Dongchuan Motor Series
    • Couplings
  • Search Classes by Model
    • WH_WHCJ_CW_LCW_SCW_WD_WSJ_WXJ_A_M
    • WP_WPW_WPE
    • Replace_SEW_M_MC_Series Gearbox
    • XWD_BWY_JXJW_XLD_JXJL_BLY_BYY_XWED_BWEY
    • Gear_transfer_case_PUMP_DRIVE
    • Substitute for Russian gearbox products
  • R series helical gear units
  • S series helical worm gear units
  • K series helical bevel gear units
  • F series parallel shaft helical gear units
  • HB series industrial gear units
    • H2 series(iN1.8~22.4)(H204~H226)
    • H3 series(iN16~112)(H305~H326)
    • H4 series(iN71~400)(H407~H426)
    • B2 series(iN6.3~14)(B204~B218)
    • B3 series(iN16~90)(B304~B326)
    • B4 series(iN90~400)(B405~B426)
  • P Series Planetary gear reduction unit
    • 2-stage planetary gear transmission (search by model)
    • 3-stage planetary gear transmission (search by model)
  • WP series worm gearbox
    • WP Single Reducer Ratio(1/10-1/60)
    • WPW Universal Reducer Ratio(1/10-1/60)
    • WPE Double Reducer Ratio(1/100-1/3600)
  • NMRV series aluminum shell reducer
  • B/X Cycloid reducer(BLD,BWD,XLD,XWD)
  • ZQ JZQ SOFT TOOTH FACE GEAR BOX
  • ZSY/ZLY/ZDY/DBY Hardened tooth surface Gearbox
  • T series spiral bevel gear units
  • JWM/SWL series worm screw jacks
  • YHJ series hybrid gear reducer
  • AC Motor
    • CH/CV small reduction motor
  • MC/M/ML series industrial gearboxes
    • MC series industrial gearboxes
    • M series industrial gearboxes
    • ML series industrial gearboxes
  • Old website product data
  • Sew Flender Nord Bonfiglioli Series
    • SEW X Series Gearbox reducer motor

Links

MotorGearBoxWP SeriesSpeed reducerGear ReducerSCA China

LatestPost

  • What are the installation conditions for
    2026-02-06
  • What are the common errors when installi
    2026-02-06
  • How to judge whether the CWO180-40 worm
    2026-02-05

Contact Us

Facebook
Twitter
Google+
LinkedIn
Pinterest

Whatsapp: +8613456789605

Email:wgt.asia@gmail.com

Wechat:59201133

Fax:+8657185023568

Add: Aojiang Industrial Park, Wenzhou, Zhejiang, China

Mobile Website

Copyright © 2013-2025 Hangzhou WeiGao Transmission Machinery Co., Ltd. All Rights Reserved.

  • E-mail
  • Whatsapp
  • Inquiry
  • Skype.
Inquiry Us Now !
Inquiry Us Now !