Facebook
Twitter
Youtube
Pinterest

China WeiGao Transmission Machinery Co., Ltd.

wgt.asia@gmail.com

  • Home
  • About us
    • About us
    • Enterprise introduction
    • Quality Standard
    • Production Ability
    • Development path
    • Qualification honor
    • Technology Patent
    • Company Culture
    • After sales service
    • F.A.Q
  • Products
    • Product series on page 2
      • SMR Series Shaft Mounted Reducer
      • RXG Shaft Mounted Gear Reducer
      • JDX/MBY series gearbox
      • Wind turbine speed increaser
      • Dongchuan Motor Series
      • Couplings
    • Search Classes by Model
      • WH_WHCJ_CW_LCW_SCW_WD_WSJ_WXJ_A_M
      • WP_WPW_WPE
      • Replace_SEW_M_MC_Series Gearbox
      • XWD_BWY_JXJW_XLD_JXJL_BLY_BYY_XWED_BWEY
      • Gear_transfer_case_PUMP_DRIVE
      • Substitute for Russian gearbox products
    • R series helical gear units
    • S series helical worm gear units
    • K series helical bevel gear units
    • F series parallel shaft helical gear units
    • HB series industrial gear units
      • H2 series(iN1.8~22.4)(H204~H226)
      • H3 series(iN16~112)(H305~H326)
      • H4 series(iN71~400)(H407~H426)
      • B2 series(iN6.3~14)(B204~B218)
      • B3 series(iN16~90)(B304~B326)
      • B4 series(iN90~400)(B405~B426)
    • P Series Planetary gear reduction unit
      • 2-stage planetary gear transmission (search by model)
      • 3-stage planetary gear transmission (search by model)
    • WP series worm gearbox
      • WP Single Reducer Ratio(1/10-1/60)
      • WPW Universal Reducer Ratio(1/10-1/60)
      • WPE Double Reducer Ratio(1/100-1/3600)
    • NMRV series aluminum shell reducer
    • B/X Cycloid reducer(BLD,BWD,XLD,XWD)
    • ZQ JZQ SOFT TOOTH FACE GEAR BOX
    • ZSY/ZLY/ZDY/DBY Hardened tooth surface Gearbox
    • T series spiral bevel gear units
    • JWM/SWL series worm screw jacks
    • YHJ series hybrid gear reducer
    • AC Motor
      • CH/CV small reduction motor
    • MC/M/ML series industrial gearboxes
      • MC series industrial gearboxes
      • M series industrial gearboxes
      • ML series industrial gearboxes
    • Old website product data
    • Sew Flender Nord Bonfiglioli Series
      • SEW X Series Gearbox reducer motor
  • News
    • Company news
    • Industry-news
  • Electronic Catalog
    • Electronic Catalog
    • 3D selection system
    • DOWNLOAD
  • Global case
  • Photo
    • Real picture display
    • Industry Application Cases
    • Ecological chain products
    • World famous products
  • 3D system
  • Contact us
Home Products Search Classes by Model Replace_SEW_M_MC_Series Gearbox M3PHF50 Replace_SEW_M_Series Gearbox
M3PHF50 Replace_SEW_M_Series Gearbox
  1. M3PHF50 Replace_SEW_M_Series Gearbox
  2. M3PHF50 Replace_SEW_M_Series Gearbox

M3PHF50 Replace_SEW_M_Series Gearbox

  • Model:M3PHF50
  • Brand:WGT
  • Category:Replace_SEW_M_MC_Series Gearbox
  • Inquiry Email
    Description

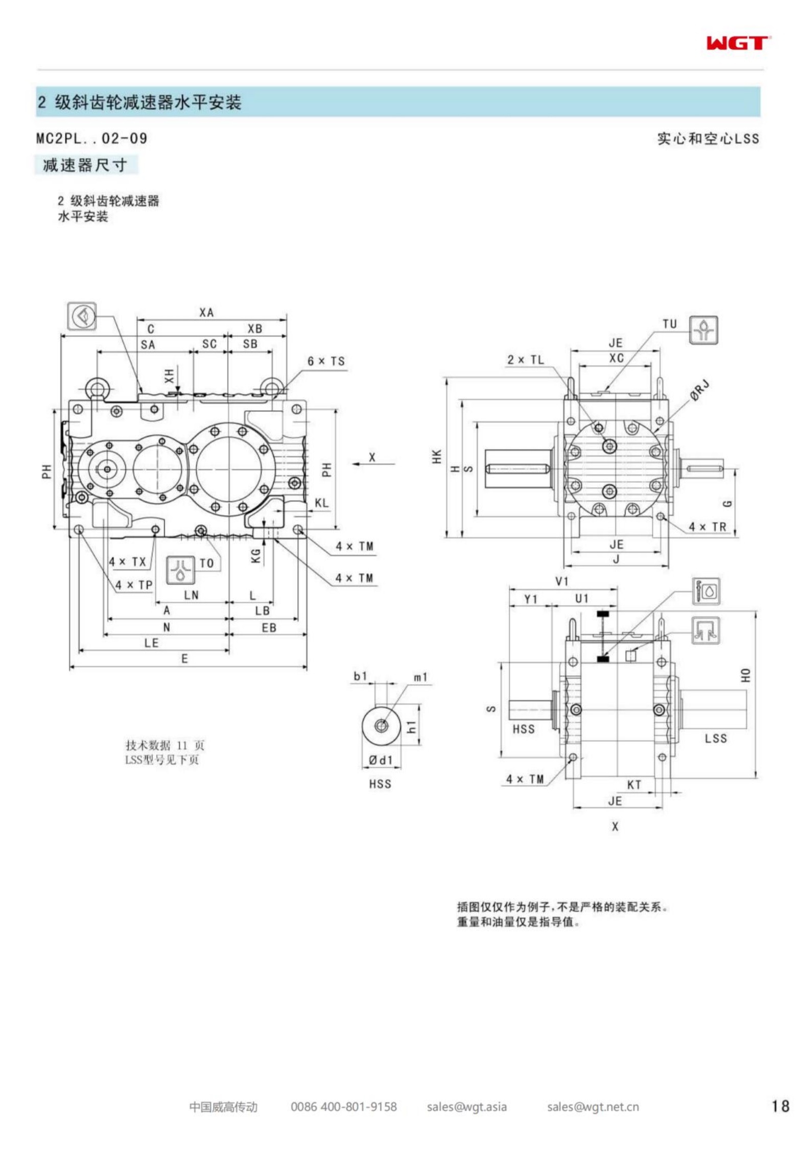
    M_Series Catalog.pdf                    M_Outline_drawing.pdf



    Model:

    M3PSF50 M3PSF60 M3PSF70 M3PSF80 M3PSF90 M4PSF50 M4PSF60 M4PSF70 M4PSF80 M4PSF90 M5PSF60 M5PSF70 M5PSF80 M5PSF90 M3PHF50 M3PHF60 M3PHF70 M3PHF80 M3PHF90 M4PHF60 M4PHF70 M4PHF80 M4PHF90 M5PHF50 M5PHF60 M5PHF70 M5PHF80 M5PHF90    M3PHT50 M3PHT60 M3PHT70 M3PHT80 M3PHT90 M4PHT50 M4PHT60 M4PHT70 M4PHT80 M4PHT90 M5PHT50 M5PHT60 M5PHT70 M5PHT80 M5PHT90    M3PVSF50 M3PVSF60 M3PVSF70 M3PVSF80 M3PVSF90 M4PVSF50 M4PVSF60 M4PVSF70 M4PVSF80 M4PVSF90 M5PVSF50 M5PVSF60 M5PVSF70 M5PVSF80 M5PVSF90     M3PST50 M3PST60 M3PST70 M3PST80 M3PST90 M4PST50 M4PST60 M4PST70 M4PST80 M4PST90


    M3RSF50 M3RSF60 M3RSF70 M3RSF80 M3RSF90 M3RSF50 M3RSF60 M3RSF70 M3RSF80 M3RSF90 M5RSF60 M5RSF70 M5RSF80 M5RSF90 M3RHF50 M3RHF60 M3RHF70 M3RHF80 M3RHF90 M3RHF60 M3RHF70 M3RHF80 M3RHF90 M5RHF50 M5RHF60 M5RHF70 M5RHF80 M5RHF90    M3RHT50 M3RHT60 M3RHT70 M3RHT80 M3RHT90 M3RHT50 M3RHT60 M3RHT70 M3RHT80 M3RHT90 M5RHT50 M5RHT60 M5RHT70 M5RHT80 M5RHT90    M3RVSF50 M3RVSF60 M3RVSF70 M3RVSF80 M3RVSF90 M3RVSF50 M3RVSF60 M3RVSF70 M3RVSF80 M3RVSF90 M5RVSF50 M5RVSF60 M5RVSF70 M5RVSF80 M5RVSF90     M3RST50 M3RST60 M3RST70 M3RST80 M3RST90 M3RST50 M3RST60 M3RST70 M3RST80 M3RST90

    Related Products

    MC2PLHT02 Replace_SEW_MC_Series Gearbox

    MC2PLHT02 Replace_SEW_MC_Series Gearbox

    MC2PESF04 Replace_SEW_MC_Series Gearbox

    MC2PESF04 Replace_SEW_MC_Series Gearbox

    MC2PVHF04 Replace_SEW_MC_Series Gearbox

    MC2PVHF04 Replace_SEW_MC_Series Gearbox

    MC2PVHF08 Replace_SEW_MC_Series Gearbox

    MC2PVHF08 Replace_SEW_MC_Series Gearbox

    MC3PESF09 Replace_SEW_MC_Series Gearbox

    MC3PESF09 Replace_SEW_MC_Series Gearbox

    M4RSF70 Replace_SEW_M_Series Gearbox

    M4RSF70 Replace_SEW_M_Series Gearbox

    Product Categories

    • Product series on page 2
      • SMR Series Shaft Mounted Reducer
      • RXG Shaft Mounted Gear Reducer
      • JDX/MBY series gearbox
      • Wind turbine speed increaser
      • Dongchuan Motor Series
      • Couplings
    • Search Classes by Model
      • WH_WHCJ_CW_LCW_SCW_WD_WSJ_WXJ_A_M
      • WP_WPW_WPE
      • Replace_SEW_M_MC_Series Gearbox
      • XWD_BWY_JXJW_XLD_JXJL_BLY_BYY_XWED_BWEY
      • Gear_transfer_case_PUMP_DRIVE
      • Substitute for Russian gearbox products
    • R series helical gear units
    • S series helical worm gear units
    • K series helical bevel gear units
    • F series parallel shaft helical gear units
    • HB series industrial gear units
      • H2 series(iN1.8~22.4)(H204~H226)
      • H3 series(iN16~112)(H305~H326)
      • H4 series(iN71~400)(H407~H426)
      • B2 series(iN6.3~14)(B204~B218)
      • B3 series(iN16~90)(B304~B326)
      • B4 series(iN90~400)(B405~B426)
    • P Series Planetary gear reduction unit
      • 2-stage planetary gear transmission (search by model)
      • 3-stage planetary gear transmission (search by model)
    • WP series worm gearbox
      • WP Single Reducer Ratio(1/10-1/60)
      • WPW Universal Reducer Ratio(1/10-1/60)
      • WPE Double Reducer Ratio(1/100-1/3600)
    • NMRV series aluminum shell reducer
    • B/X Cycloid reducer(BLD,BWD,XLD,XWD)
    • ZQ JZQ SOFT TOOTH FACE GEAR BOX
    • ZSY/ZLY/ZDY/DBY Hardened tooth surface Gearbox
    • T series spiral bevel gear units
    • JWM/SWL series worm screw jacks
    • YHJ series hybrid gear reducer
    • AC Motor
      • CH/CV small reduction motor
    • MC/M/ML series industrial gearboxes
      • MC series industrial gearboxes
      • M series industrial gearboxes
      • ML series industrial gearboxes
    • Old website product data
    • Sew Flender Nord Bonfiglioli Series
      • SEW X Series Gearbox reducer motor

    Links

    MotorGearBoxWP SeriesSpeed reducerGear ReducerSCA China

    LatestPost

    • How to determine if the motor and ZL100-
      2026-03-20
    • How to determine whether there is a shor
      2026-03-19
    • What is the impact of ambient temperatur
      2026-03-19

    Contact Us

    Facebook
    Twitter
    Google+
    LinkedIn
    Pinterest

    Whatsapp: +8613456789605

    Email:wgt.asia@gmail.com

    Wechat:59201133

    Fax:+8657185023568

    Add: Aojiang Industrial Park, Wenzhou, Zhejiang, China

    Mobile Website

    Copyright © 2013-2025 Hangzhou WeiGao Transmission Machinery Co., Ltd. All Rights Reserved.

    • E-mail
    • Whatsapp
    • Inquiry
    • Skype.
    Inquiry Us Now !
    Inquiry Us Now !