Facebook
Twitter
Youtube
Pinterest

China WeiGao Transmission Machinery Co., Ltd.

wgt.asia@gmail.com

  • Home
  • About us
    • About us
    • Enterprise introduction
    • Quality Standard
    • Production Ability
    • Development path
    • Qualification honor
    • Technology Patent
    • Company Culture
    • After sales service
    • F.A.Q
  • Products
    • Product series on page 2
      • SMR Series Shaft Mounted Reducer
      • RXG Shaft Mounted Gear Reducer
      • JDX/MBY series gearbox
      • Wind turbine speed increaser
      • Dongchuan Motor Series
      • Couplings
    • Search Classes by Model
      • WH_WHCJ_CW_LCW_SCW_WD_WSJ_WXJ_A_M
      • WP_WPW_WPE
      • Replace_SEW_M_MC_Series Gearbox
      • XWD_BWY_JXJW_XLD_JXJL_BLY_BYY_XWED_BWEY
      • Gear_transfer_case_PUMP_DRIVE
      • Substitute for Russian gearbox products
    • R series helical gear units
    • S series helical worm gear units
    • K series helical bevel gear units
    • F series parallel shaft helical gear units
    • HB series industrial gear units
      • H2 series(iN1.8~22.4)(H204~H226)
      • H3 series(iN16~112)(H305~H326)
      • H4 series(iN71~400)(H407~H426)
      • B2 series(iN6.3~14)(B204~B218)
      • B3 series(iN16~90)(B304~B326)
      • B4 series(iN90~400)(B405~B426)
    • P Series Planetary gear reduction unit
      • 2-stage planetary gear transmission (search by model)
      • 3-stage planetary gear transmission (search by model)
    • WP series worm gearbox
      • WP Single Reducer Ratio(1/10-1/60)
      • WPW Universal Reducer Ratio(1/10-1/60)
      • WPE Double Reducer Ratio(1/100-1/3600)
    • NMRV series aluminum shell reducer
    • B/X Cycloid reducer(BLD,BWD,XLD,XWD)
    • ZQ JZQ SOFT TOOTH FACE GEAR BOX
    • ZSY/ZLY/ZDY/DBY Hardened tooth surface Gearbox
    • T series spiral bevel gear units
    • JWM/SWL series worm screw jacks
    • YHJ series hybrid gear reducer
    • AC Motor
      • CH/CV small reduction motor
    • MC/M/ML series industrial gearboxes
      • MC series industrial gearboxes
      • M series industrial gearboxes
      • ML series industrial gearboxes
    • Old website product data
    • Sew Flender Nord Bonfiglioli Series
      • SEW X Series Gearbox reducer motor
  • News
    • Company news
    • Industry-news
  • Electronic Catalog
    • Electronic Catalog
    • 3D selection system
    • DOWNLOAD
  • Global case
  • Photo
    • Real picture display
    • Industry Application Cases
    • Ecological chain products
    • World famous products
  • 3D system
  • Contact us
Home Products Search Classes by Model Replace_SEW_M_MC_Series Gearbox MC3PVHT05 Replace_SEW_MC_Series Gearbox
MC3PVHT05 Replace_SEW_MC_Series Gearbox
  1. MC3PVHT05 Replace_SEW_MC_Series Gearbox
  2. MC3PVHT05 Replace_SEW_MC_Series Gearbox

MC3PVHT05 Replace_SEW_MC_Series Gearbox

  • Model:MC3PVHT05
  • Brand:WGT
  • Category:Replace_SEW_M_MC_Series Gearbox
  • Inquiry Email
    Description

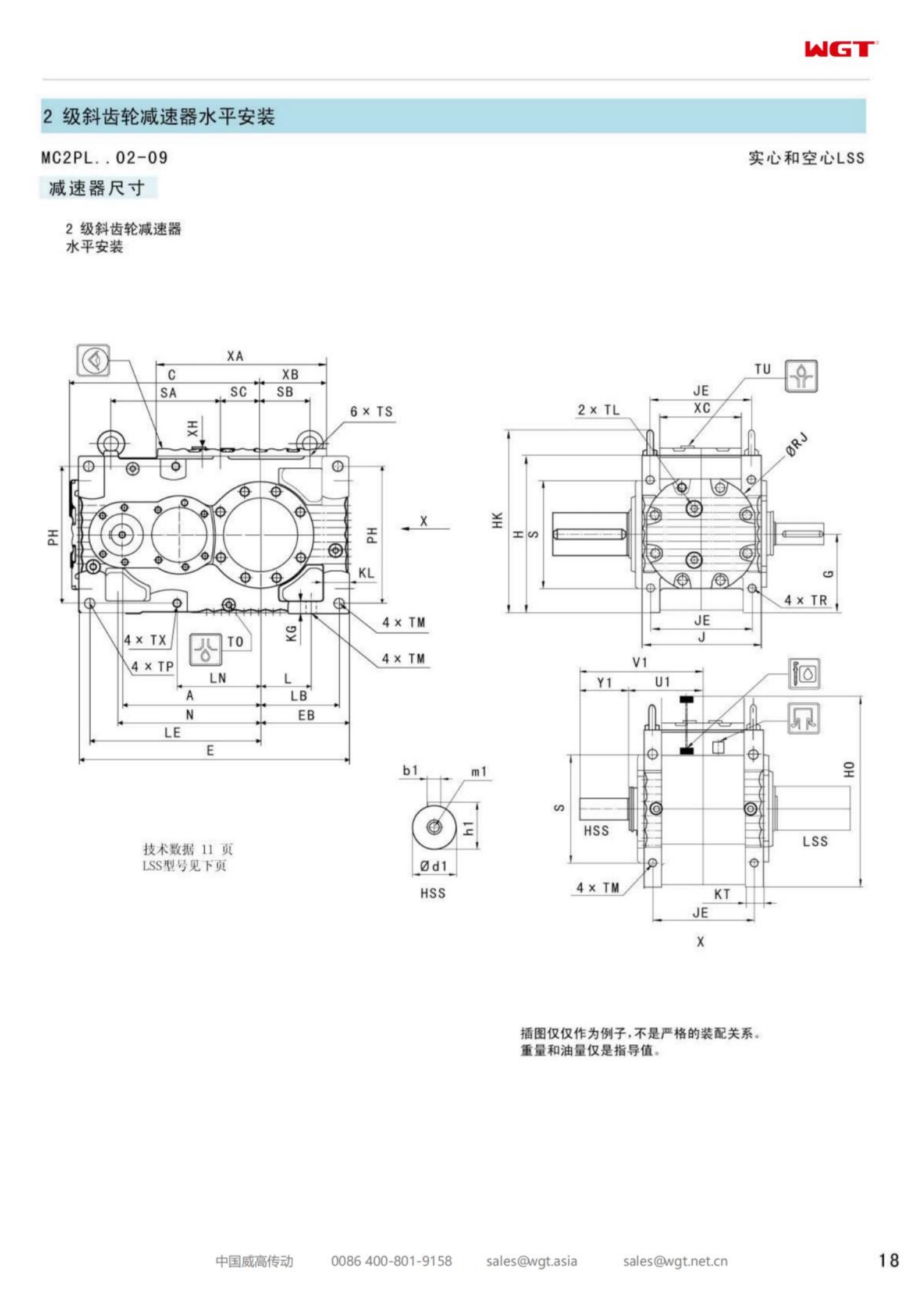
    MC_Series Catalog.pdf             MC_Outline_drawing.pdf



    MC series Model

    MC2PLSF02 MC2PLSF03 MC2PLSF04 MC2PLSF05 MC2PLSF06 MC2PLSF07 MC2PLSF09MC2PLSF08

    MC3PLSF02 MC3PLSF03 MC3PLSF04 MC3PLSF05 MC3PLSF06 MC3PLSF07 MC3PLSF08 MC3PLSF09

    MC2PVSF02 MC2PVSF03 MC2PVSF04 MC2PVSF05 MC2PVSF06 MC2PVSF07 MC2PVSF09MC2PVSF08

    MC3PVSF02 MC3PVSF03 MC3PVSF04 MC3PVSF05 MC3PVSF06 MC3PVSF07 MC3PVSF08 MC3PVSF09

    MC2PESF02 MC2PESF03 MC2PESF04 MC2PESF05 MC2PESF06 MC2PESF07 MC2PESF09MC2PESF08

    MC3PESF02 MC3PESF03 MC3PESF04 MC3PESF05 MC3PESF06 MC3PESF07 MC3PESF08 MC3PESF09

    MC2RLSF02 MC2RLSF03 MC2RLSF04 MC2RLSF05 MC2RLSF06 MC2RLSF07 MC2RLSF09MC2RLSF08

    MC3RLSF02 MC3RLSF03 MC3RLSF04 MC3RLSF05 MC3RLSF06 MC3RLSF07 MC3RLSF08 MC3RLSF09

    MC2RVSF02 MC2RVSF03 MC2RVSF04 MC2RVSF05 MC2RVSF06 MC2RVSF07 MC2RVSF09MC2RVSF08

    MC3RVSF02 MC3RVSF03 MC3RVSF04 MC3RVSF05 MC3RVSF06 MC3RVSF07 MC3RVSF08 MC3RVSF09

    MC2RESF02 MC2RESF03 MC2RESF04 MC2RESF05 MC2RESF06 MC2RESF07 MC2RESF09MC2RESF08

    MC3RESF02 MC3RESF03 MC3RESF04 MC3RESF05 MC3RESF06 MC3RESF07 MC3RESF08 MC3RESF09

    MC2PLHF02 MC2PLHF03 MC2PLHF04 MC2PLHF05 MC2PLHF06 MC2PLHF07 MC2PLHF09MC2PLHF08

    MC3PLHF02 MC3PLHF03 MC3PLHF04 MC3PLHF05 MC3PLHF06 MC3PLHF07 MC3PLHF08 MC3PLHF09

    MC2PVHF02 MC2PVHF03 MC2PVHF04 MC2PVHF05 MC2PVHF06 MC2PVHF07 MC2PVHF09MC2PVHF08

    MC3PVHF02 MC3PVHF03 MC3PVHF04 MC3PVHF05 MC3PVHF06 MC3PVHF07 MC3PVHF08 MC3PVHF09

    MC2PEHF02 MC2PEHF03 MC2PEHF04 MC2PEHF05 MC2PEHF06 MC2PEHF07 MC2PEHF09MC2PEHF08

    MC3PEHF02 MC3PEHF03 MC3PEHF04 MC3PEHF05 MC3PEHF06 MC3PEHF07 MC3PEHF08 MC3PEHF09

    MC2RLHF02 MC2RLHF03 MC2RLHF04 MC2RLHF05 MC2RLHF06 MC2RLHF07 MC2RLHF09MC2RLHF08

    MC3RLHF02 MC3RLHF03 MC3RLHF04 MC3RLHF05 MC3RLHF06 MC3RLHF07 MC3RLHF08 MC3RLHF09

    MC2RVHF02 MC2RVHF03 MC2RVHF04 MC2RVHF05 MC2RVHF06 MC2RVHF07 MC2RVHF09MC2RVHF08

    MC3RVHF02 MC3RVHF03 MC3RVHF04 MC3RVHF05 MC3RVHF06 MC3RVHF07 MC3RVHF08 MC3RVHF09

    MC2REHF02 MC2REHF03 MC2REHF04 MC2REHF05 MC2REHF06 MC2REHF07 MC2REHF09MC2REHF08

    MC3REHF02 MC3REHF03 MC3REHF04 MC3REHF05 MC3REHF06 MC3REHF07 MC3REHF08 MC3REHF09

    MC2PLST02 MC2PLST03 MC2PLST04 MC2PLST05 MC2PLST06 MC2PLST07 MC2PLST09MC2PLST08

    MC3PLST02 MC3PLST03 MC3PLST04 MC3PLST05 MC3PLST06 MC3PLST07 MC3PLST08 MC3PLST09

    MC2PVST02 MC2PVST03 MC2PVST04 MC2PVST05 MC2PVST06 MC2PVST07 MC2PVST09MC2PVST08

    MC3PVST02 MC3PVST03 MC3PVST04 MC3PVST05 MC3PVST06 MC3PVST07 MC3PVST08 MC3PVST09

    MC2PEST02 MC2PEST03 MC2PEST04 MC2PEST05 MC2PEST06 MC2PEST07 MC2PEST09MC2PEST08

    MC3PEST02 MC3PEST03 MC3PEST04 MC3PEST05 MC3PEST06 MC3PEST07 MC3PEST08 MC3PEST09

    MC2RLST02 MC2RLST03 MC2RLST04 MC2RLST05 MC2RLST06 MC2RLST07 MC2RLST09MC2RLST08

    MC3RLST02 MC3RLST03 MC3RLST04 MC3RLST05 MC3RLST06 MC3RLST07 MC3RLST08 MC3RLST09

    MC2RVST02 MC2RVST03 MC2RVST04 MC2RVST05 MC2RVST06 MC2RVST07 MC2RVST09MC2RVST08

    MC3RVST02 MC3RVST03 MC3RVST04 MC3RVST05 MC3RVST06 MC3RVST07 MC3RVST08 MC3RVST09

    MC2REHF02 MC2REHF03 MC2REHF04 MC2REHF05 MC2REHF06 MC2REHF07 MC2REHF09MC2REHF08

    MC3REHF02 MC3REHF03 MC3REHF04 MC3REHF05 MC3REHF06 MC3REHF07 MC3REHF08 MC3REHF09

    MC2PLHT02 MC2PLHT03 MC2PLHT04 MC2PLHT05 MC2PLHT06 MC2PLHT07 MC2PLHT09MC2PLHT08

    MC3PLHT02 MC3PLHT03 MC3PLHT04 MC3PLHT05 MC3PLHT06 MC3PLHT07 MC3PLHT08 MC3PLHT09

    MC2PVHT02 MC2PVHT03 MC2PVHT04 MC2PVHT05 MC2PVHT06 MC2PVHT07 MC2PVHT09MC2PVHT08

    MC3PVHT02 MC3PVHT03 MC3PVHT04 MC3PVHT05 MC3PVHT06 MC3PVHT07 MC3PVHT08 MC3PVHT09

    MC2PEHT02 MC2PEHT03 MC2PEHT04 MC2PEHT05 MC2PEHT06 MC2PEHT07 MC2PEHT09MC2PEHT08

    MC3PEHT02 MC3PEHT03 MC3PEHT04 MC3PEHT05 MC3PEHT06 MC3PEHT07 MC3PEHT08 MC3PEHT09

    MC2RLHT02 MC2RLHT03 MC2RLHT04 MC2RLHT05 MC2RLHT06 MC2RLHT07 MC2RLHT09MC2RLHT08

    MC3RLHT02 MC3RLHT03 MC3RLHT04 MC3RLHT05 MC3RLHT06 MC3RLHT07 MC3RLHT08 MC3RLHT09

    MC2RVHT02 MC2RVHT03 MC2RVHT04 MC2RVHT05 MC2RVHT06 MC2RVHT07 MC2RVHT09MC2RVHT08

    MC3RVHT02 MC3RVHT03 MC3RVHT04 MC3RVHT05 MC3RVHT06 MC3RVHT07 MC3RVHT08 MC3RVHT09

    MC2REHT02 MC2REHT03 MC2REHT04 MC2REHT05 MC2REHT06 MC2REHT07 MC2REHT09MC2REHT08

    MC3REHT02 MC3REHT03 MC3REHT04 MC3REHT05 MC3REHT06 MC3REHT07 MC3REHT08 MC3REHT09




    Related Products

    MC2PEHT06 Replace_SEW_MC_Series Gearbox

    MC2PEHT06 Replace_SEW_MC_Series Gearbox

    MC3RVHT09 Replace_SEW_MC_Series Gearbox

    MC3RVHT09 Replace_SEW_MC_Series Gearbox

    MC3RLHF03 Replace_SEW_MC_Series Gearbox

    MC3RLHF03 Replace_SEW_MC_Series Gearbox

    MC3PESF02 Replace_SEW_MC_Series Gearbox

    MC3PESF02 Replace_SEW_MC_Series Gearbox

    M3RVSF30 Replace_SEW_M_Series Gearbox

    M3RVSF30 Replace_SEW_M_Series Gearbox

    MC2RVHF06 Replace_SEW_MC_Series Gearbox

    MC2RVHF06 Replace_SEW_MC_Series Gearbox

    Product Categories

    • Product series on page 2
      • SMR Series Shaft Mounted Reducer
      • RXG Shaft Mounted Gear Reducer
      • JDX/MBY series gearbox
      • Wind turbine speed increaser
      • Dongchuan Motor Series
      • Couplings
    • Search Classes by Model
      • WH_WHCJ_CW_LCW_SCW_WD_WSJ_WXJ_A_M
      • WP_WPW_WPE
      • Replace_SEW_M_MC_Series Gearbox
      • XWD_BWY_JXJW_XLD_JXJL_BLY_BYY_XWED_BWEY
      • Gear_transfer_case_PUMP_DRIVE
      • Substitute for Russian gearbox products
    • R series helical gear units
    • S series helical worm gear units
    • K series helical bevel gear units
    • F series parallel shaft helical gear units
    • HB series industrial gear units
      • H2 series(iN1.8~22.4)(H204~H226)
      • H3 series(iN16~112)(H305~H326)
      • H4 series(iN71~400)(H407~H426)
      • B2 series(iN6.3~14)(B204~B218)
      • B3 series(iN16~90)(B304~B326)
      • B4 series(iN90~400)(B405~B426)
    • P Series Planetary gear reduction unit
      • 2-stage planetary gear transmission (search by model)
      • 3-stage planetary gear transmission (search by model)
    • WP series worm gearbox
      • WP Single Reducer Ratio(1/10-1/60)
      • WPW Universal Reducer Ratio(1/10-1/60)
      • WPE Double Reducer Ratio(1/100-1/3600)
    • NMRV series aluminum shell reducer
    • B/X Cycloid reducer(BLD,BWD,XLD,XWD)
    • ZQ JZQ SOFT TOOTH FACE GEAR BOX
    • ZSY/ZLY/ZDY/DBY Hardened tooth surface Gearbox
    • T series spiral bevel gear units
    • JWM/SWL series worm screw jacks
    • YHJ series hybrid gear reducer
    • AC Motor
      • CH/CV small reduction motor
    • MC/M/ML series industrial gearboxes
      • MC series industrial gearboxes
      • M series industrial gearboxes
      • ML series industrial gearboxes
    • Old website product data
    • Sew Flender Nord Bonfiglioli Series
      • SEW X Series Gearbox reducer motor

    Links

    MotorGearBoxWP SeriesSpeed reducerGear ReducerSCA China

    LatestPost

    • How to determine if the motor and ZL100-
      2026-03-20
    • How to determine whether there is a shor
      2026-03-19
    • What is the impact of ambient temperatur
      2026-03-19

    Contact Us

    Facebook
    Twitter
    Google+
    LinkedIn
    Pinterest

    Whatsapp: +8613456789605

    Email:wgt.asia@gmail.com

    Wechat:59201133

    Fax:+8657185023568

    Add: Aojiang Industrial Park, Wenzhou, Zhejiang, China

    Mobile Website

    Copyright © 2013-2025 Hangzhou WeiGao Transmission Machinery Co., Ltd. All Rights Reserved.

    • E-mail
    • Whatsapp
    • Inquiry
    • Skype.
    Inquiry Us Now !
    Inquiry Us Now !